|
|
 | ¿ëµµ :
- °¢Á¾ ÀÚµ¿Â÷ ºÎǰ ÆÄ·¿Æ®
- °¢Á¾ Áß·®¹° ¿î¹Ý±¸ |
| °íÁ¤ R |
ȸÀü S |
ȸÀü ºê·¹ÀÌÅ©
S BK |
¹ÙÄûÁ¾·ù
(**) |
ÇÏÁõ
(kg) |
¹ÙÄûÁ÷°æ
¡Ë |
¹ÙÄûÆø
(mm) |
º£¾î¸µ |
| PBC7540-R ** |
PBC7540-S ** |
PBC7540-S ** BK |
Polyurethane
(PCIB)
MC Nylon
(MCB) |
600 |
100(4") |
64 |
6205ZZ |
| 750 |
| PBC7550-R ** |
PBC7550-S ** |
PBC7550-S ** BK |
700 |
125
(5") |
64 |
6205ZZ |
| 850 |
| PBC7560-R ** |
PBC7560-S ** |
PBC7560-S ** BK |
720 |
150
(6") |
64 |
6205ZZ |
| 870 |
| PBC7580-R ** |
PBC7580-S ** |
PBC7580-S ** BK |
770 |
200
(8") |
64 |
6205ZZ |
| 920 |
| PBC7510-R ** |
PBC7510-S ** |
PBC7510-S ** BK |
820 |
250
(10") |
64 |
6205ZZ |
| 970 |
| PBC7512-R ** |
PBC7512-S ** |
PBC7512-S ** BK |
900 |
300
(12") |
64 |
6205ZZ |
| 1050 |
| °íÁ¤ R |
ȸÀü S |
ȸÀü ºê·¹ÀÌÅ©
S BK |
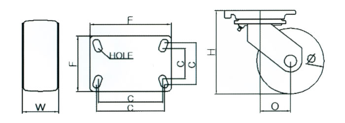
PLATE |
¿É¼Â°Å¸® O |
Àüü³ôÀÌ
H |
| F |
C |
HOLE |
| PBC7540-R ** |
PBC7540-S ** |
PBC7540-S ** BK |
159*114 |
133*86
125*62 |
26.6*14 |
35 |
143 |
| PBC7550-R ** |
PBC7550-S ** |
PBC7550-S ** BK |
48 |
165 |
| PBC7560-R ** |
PBC7560-S ** |
PBC7560-S ** BK |
68 |
191 |
| PBC7580-R ** |
PBC7580-S ** |
PBC7580-S ** BK |
58 |
257 |
| PBC7510-R ** |
PBC7510-S ** |
PBC7510-S ** BK |
69 |
301 |
| PBC7512-R ** |
PBC7512-S ** |
PBC7512-S ** BK |
80 |
348 |
 |
|
¨ç ÃëºÎÆÇ : ½ºÆ¿ÆÇ
¨è ¸ö ü : ½ºÆ¿ÆÇ
¨é ¹Ù Äû : ¹ÙÄûÁ¾·ù ÂüÁ¶
¨ê Ç¥¸éó¸® : ¾Æ¿¬(Zn)µµ±Ý |
¡á ¹ÙÄû Á¾·ù
PCIB
- ÁÖÇü ¿ì·¹Åº
- ÄÚ¾î Cast Iron
- 2º¼ º£¾î¸µ 6205ZZ |
MCB
- MC ³ªÀÌ·Ð
- 2º¼º£¾î¸µ 6205ZZ |
|
|
|