|
|
 | ¿ëµµ :
- °¢Á¾ ÀÚµ¿Â÷ ºÎǰ ÆÄ·¿Æ®
- °¢Á¾ Áß·®¹° ¿î¹Ý±¸
- ¹æÁ÷ °øÀå¿ë ¿î¹Ý±¸ |
| °íÁ¤ R |
ȸÀü S |
ȸÀü ºê·¹ÀÌÅ©
S BK |
¹ÙÄûÁ¾·ù
(**) |
ÇÏÁõ
(kg) |
¹ÙÄûÁ÷°æ
¡Ë |
¹ÙÄûÆø
(mm) |
º£¾î¸µ |
| PBC5860-R ** |
PBC5860-S ** |
PBC5860-S ** BK |
Polyurethane(PCIB) |
450 |
150(6") |
60 |
6204ZZ |
| MC Nylin(MCB) |
550 |
| PBC5880-R ** |
PBC5880-S ** |
PBC5880-S ** BK |
Polyurethane(PCIB) |
500 |
200(8") |
60 |
6204ZZ |
| MC Nylin(MCB) |
600 |
| PBC5810-R ** |
PBC5810-S ** |
PBC5810-S ** BK |
Polyurethane(PCIB) |
600 |
250(10") |
60 |
6204ZZ |
| °íÁ¤ R |
ȸÀü S |
ȸÀü ºê·¹ÀÌÅ©
S BK |
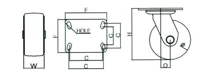
PLATE |
¿É¼Â°Å¸® O |
Àüü³ôÀÌ
H |
| F |
C |
HOLE |
| PBC5860-R ** |
PBC5860-S ** |
PBC5860-S ** BK |
114*159 |
133*86
125*62 |
26.6*14 |
34 |
194 |
| PBC5880-R ** |
PBC5880-S ** |
PBC5880-S ** BK |
59 |
248 |
| PBC5810-R ** |
PBC5810-S ** |
PBC5810-S ** BK |
62 |
284 |
 |
|
¨ç ÃëºÎÆÇ : ½ºÆ¿ÆÇ
¨è ¸ö ü : ½ºÆ¿ÆÇ
¨é ¹Ù Äû : ¹ÙÄûÁ¾·ù ÂüÁ¶
¨ê Ç¥¸éó¸® : ¾Æ¿¬(Zn)µµ±Ý |
¡á ¹ÙÄû Á¾·ù
MCB
- MC ³ªÀÌ·Ð
- 2º¼º£¾î¸µ 6204ZZ |
PCIB
- ÁÖÇü ¿ì·¹Åº
- ÄÚ¾î Cast Iron
- 2º¼ º£¾î¸µ 6204ZZ |
|
|