|
|
 | ¿ëµµ :
- ÀÌÁß Race Way ±¸Á¶
- À§»ý¿ë Áß·®¹° ¿î¹Ý±¸
- ¼öºÐ ¹× ¿°ºÐÀÌ ÀÖ´Â ÀÛ¾÷ȯ°æ
- ³»ºÎ½Ä¿ë öÀçÀü¼ö Stainless Steel |
| °íÁ¤ R |
ȸÀü S |
ȸÀü ºê·¹ÀÌÅ©
S BK |
¹ÙÄûÁ¾·ù
(**) |
ÇÏÁõ
(kg) |
¹ÙÄûÁ÷°æ
¡Ë |
¹ÙÄûÆø
(mm) |
º£¾î¸µ |
| PBC5231-R ** |
PBC5231-S ** |
PBC5231-S ** BK |
Polyurethane(PUB) |
130 |
76(3") |
40 |
6003ZZ |
| MC Nylon(MCB) |
250 |
35 |
| PBC5241-R ** |
PBC5241-S ** |
PBC5241-S ** BK |
Polyurethane(PUB) |
140 |
100(4") |
38 |
| MC Nylon(MCB) |
280 |
40 |
| MIRAGE(ERB) |
120 |
38 |
| PBC5251-R ** |
PBC5251-S ** |
PBC5251-S ** BK |
Polyurethane(PUB) |
150 |
127(5") |
38 |
| MC Nylon(MCB) |
300 |
40 |
| MIRAGE(ERB) |
130 |
38 |
| PBC5261-R ** |
PBC5261-S ** |
PBC5261-S ** BK |
Polyurethane(PUB) |
180 |
150(6") |
40 |
| MC Nylon(MCB) |
300 |
40 |
| °íÁ¤ R |
ȸÀü S |
ȸÀü ºê·¹ÀÌÅ©
S BK |
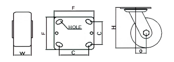
PLATE |
¿É¼Â°Å¸® O |
Àüü³ôÀÌ
H |
| F |
C |
HOLE |
| PBC5231-R ** |
PBC5231-S ** |
PBC5231-S ** BK |
98*85 |
76*58
68*66 |
15.5*10
¡Ë8.5 |
25 |
106 |
| PBC5241-R ** |
PBC5241-S ** |
PBC5241-S ** BK |
33.6 |
135 |
| PBC5251-R ** |
PBC5251-S ** |
PBC5251-S ** BK |
38.8 |
159 |
| PBC5261-R ** |
PBC5261-S ** |
PBC5261-S ** BK |
47 |
191 |
 |
|
¨ç ÃëºÎÆÇ : SUS304
¨è ¸ö ü : SUS304
¨é ¹Ù Äû : ¹ÙÄûÁ¾·ù ÂüÁ¶
¨ê Ç¥¸éó¸® : BUFF(¹öÇÁ) |
¡á ¹ÙÄû Á¾·ù
PUB
- »çÃâ¿ì·¹Åº
- ÄÚ¾î PP
- 2º¼º£¾î¸µ 6003ZZ |
ERB
- MC ³ªÀÌ·Ð
- 2º¼º£¾î¸µ 6003ZZ
- ÄÚ¾î PP |
MCB
- MC ³ªÀÌ·Ð
- 2º¼º£¾î¸µ 6003ZZ |
|
|