|
|
 | ¿ëµµ :
- °¢Á¾ Áß·®¹° ¿î¹Ý±¸
- ÀÚµ¿Â÷ ºÎǰ ¿î¹Ý±¸
- ¹æÁ÷ °øÀå¿ë ¿î¹Ý±¸ |
| °íÁ¤ R |
ȸÀü S |
ȸÀü ºê·¹ÀÌÅ©
S BK |
¹ÙÄûÁ¾·ù
(**) |
ÇÏÁõ
(kg) |
¹ÙÄûÁ÷°æ
¡Ë |
¹ÙÄûÆø
(mm) |
º£¾î¸µ |
| PBC5040-R ** |
PBC5040-S ** |
PBC5040-S ** BK |
Polyurethane(PCIB) |
320 |
100(4") |
48 |
6203ZZ |
| MC Nylon(MCB) |
350 |
50 |
| PBC5050-R ** |
PBC5050-S ** |
PBC5050-S ** BK |
Polyurethane(PCIB) |
340 |
125(5") |
48 |
6203ZZ |
| MC Nylon(MCB) |
400 |
50 |
| PBC5060-R ** |
PBC5060-S ** |
PBC5060-S ** BK |
Polyurethane(PCIB) |
360 |
150(6") |
48 |
6203ZZ |
| MC Nylon(MCB) |
450 |
50 |
| PBC5080-R ** |
PBC5080-S ** |
PBC5080-S ** BK |
Polyurethane(PCIB) |
380 |
202
(8") |
48 |
6203ZZ |
| MC Nylon(MCB) |
500 |
50 |
| °íÁ¤ R |
ȸÀü S |
ȸÀü ºê·¹ÀÌÅ©
S BK |
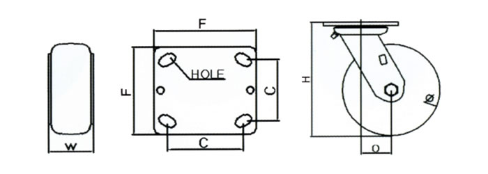
PLATE |
¿É¼Â°Å¸® O |
Àüü³ôÀÌ
H |
| F |
C |
HOLE |
| PBC5040-R ** |
PBC5040-S ** |
PBC5040-S ** BK |
114*102 |
92.67
77*76 |
21*12
¡Ë9 |
27 |
142 |
| PBC5050-R ** |
PBC5050-S ** |
PBC5050-S ** BK |
114*102 |
92.67
77*76 |
21*12
¡Ë9 |
43 |
164 |
| PBC5060-R ** |
PBC5060-S ** |
PBC5060-S ** BK |
114*102 |
92.67
77*76 |
21*12
¡Ë9 |
46 |
186 |
| PBC5080-R ** |
PBC5080-S ** |
PBC5080-S ** BK |
114*102 |
92.67
77*76 |
21*12
¡Ë9 |
45 |
241 |
 |
|
¨ç ÃëºÎÆÇ : ½ºÆ¿ÆÇ
¨è ¸ö ü : ½ºÆ¿ÆÇ
¨é ¹Ù Äû : ¹ÙÄûÁ¾·ù ÂüÁ¶
¨ê Ç¥¸éó¸® : ¾Æ¿¬(Zn)µµ±Ý |
¡á ¹ÙÄû Á¾·ù
PCIB
- ÁÖÇü ¿ì·¹Åº
- ÄÚ¾î Cast Iron
- 2º¼º£¾î¸µ 6203ZZ |
MCB
- MC ³ªÀÌ·Ð
- 2º¼º£¾î¸µ 6203ZZ |
|
|
|