|
|
 | ¿ëµµ :
- ¹æ¼ÛÀåºñ ¹× ½ÇÇè¿ë ±âÀÚÀç
- º´¿ø, ½Ä´ç, È£ÅÚµî ¹°·ù¿ë ´ëÂ÷
- À§»ý¿î¹Ý±¸ |
| °íÁ¤ R |
ȸÀü žºê·¹ÀÌÅ©
S TLB |
¹ÙÄûÁ¾·ù
(**) |
ÇÏÁõ
(kg) |
¹ÙÄûÁ÷°æ
¡Ë |
¹ÙÄûÆø
(mm) |
º£¾î¸µ |
| PBC3530-R ** |
PBC3530-S ** TLB |
MIRAGE(ERB) |
50 |
76(3") |
32 |
608ZZ |
| PBC3540-R ** |
PBC3540-S ** TLB |
Polyurethane(PUB) |
70 |
100(4") |
32 |
6202ZZ |
| PBC3550-R ** |
PBC3550-S ** TLB |
Polyurethane(HPUB) |
90 |
127(5") |
32 |
6000ZZ |
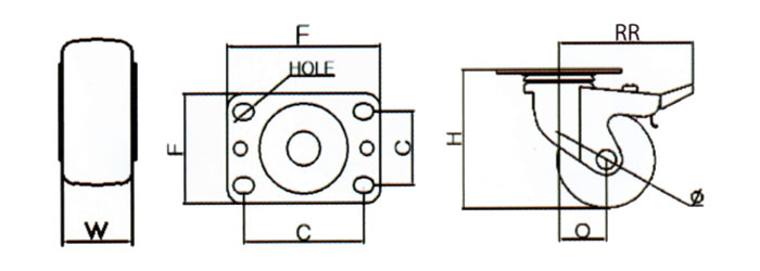
| °íÁ¤ R |
ȸÀü žºê·¹ÀÌÅ©
S TLB |
PLATE |
¿É¼Â°Å¸® O |
ȸÀü¹ÝÁö¸§ RR |
Àüü³ôÀÌ
H |
| F |
C |
HOLE |
TLB |
| PBC3530-R ** |
PBC3530-S ** TLB |
95*66 |
44*74.5 |
13*9.6 |
36 |
103 |
109 |
| PBC3540-R ** |
PBC3540-S ** TLB |
95*66 |
44*74.5 |
13*9.6 |
36 |
113 |
137 |
| PBC3550-R ** |
PBC3550-S ** TLB |
95*66 |
44*74.5 |
13*9.6 |
38 |
117 |
163 |
 |
|
¨ç ÃëºÎÆÇ : ½ºÆ¿ÆÇ
¨è ¸ö ü : ½ºÆ¿ÆÇ
¨é ¹Ù Äû : ¹ÙÄûÁ¾·ù ÂüÁ¶
¨ê Ç¥¸éó¸® : ¾Æ¿¬(Zn)µµ±Ý ¶Ç´Â Å©·Ò(Cr)µµ±Ý |
¡á ¹ÙÄû Á¾·ù
ERB
- »çÃâ°í¹«
- ÄÚ¾îPP
- 2º¼º£¾î¸µ 608ZZ |
PUB
- »çÃâ¿ì·¹Åº
- ÄÚ¾î PP
- 1º¼º£¾î¸µ 6202ZZ |
HPUB
- °íź¼º ¿ì·¹Åº
- ÄÚ¾î ³ªÀÌ·Ð
- 2º¼ º£¾î¸µ 6000ZZ |
|
|